您現在的位置:中國農業儀器網 > 技術文章 > 多功能誘蟲燈田間幼蟲效果檢測
多功能誘蟲燈田間幼蟲效果檢測
根據病蟲調查統計器檢測顯示的結果來看,棉鈴蟲是一種雜食性而且繁殖能力很強的昆蟲,在世界大部分地方均有發生。棉鈴蟲危害的作物有小麥、玉米、棉花、花生等多種重要農作物。在棉花上主要為害幼鈴、蕾和花,造成僵瓣、爛鈴,每年都會給棉花生產造成嚴重的損失。新疆又是我國的主要棉產區,其植棉面積占全國的三分之一,每年用于防治棉鈴蟲的成本很高。傳統的方法一般是使用化學農藥,不合理的使用而造成農藥污染對農業生態環境,特別是農產品的安全性產生不良影響,危及人們的健康,同時對環境的危害比較大,造成嚴重的/3R0問題)))抗性(resist-ance)、再增猖獗(resurgence)和殘留(residue),已引起各界的廣泛關注。近年來以性誘劑和黑光燈防治逐漸增多,環保又經濟,效果顯著。但由于農田電網等一些因素的限制,不能廣泛應用和推廣。由于目前市場上還沒有一種綜合了它們的優點,而又不受條件限制的誘蟲裝置。為此,綜合了黑光燈、性誘盆、黃板等誘蟲設備的優點,設計了一款多功能誘蟲燈。為了驗證自行設計的多功能誘蟲燈的效果,以頻振燈、黃板和多功能誘蟲燈分別做了田間比較試驗。
1材料和方法
1.1頻振燈、黃板和多功能誘蟲燈
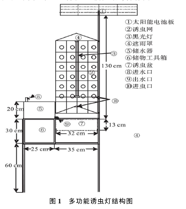
頻振燈為河南省佳多科工貿公司制造的佳多牌PS-15II型頻振式殺蟲燈,功率30 W。基本結構為一頻振式燈管,外圍設高壓電網,下部為漏斗連接蟲袋,懸掛后燈管距地面高度1.8 m。黃色誘蟲板(30 cm@40 cm)一個,用細鐵絲懸于約40cm的高度,以機油為黏蟲劑。多功能誘蟲燈1臺。多功能誘蟲燈的結構由工具箱、誘蟲裝置、供能裝置、儲能裝置、自動供水裝置等部分組成(圖1)。其供能原理白天通過太陽能板將吸收的能量存儲于電池中,夜間為黑光燈發光提供能量。正常情況下(無陰雨天)可保證黑光燈5~8 h正常工作;陰天等日光不足情況下,一般可保證黑光燈2~5 h正常工作。其供水原理是運用大氣壓強原理。性誘芯在燈管下方,水位線位于燈和性誘芯下方1cm處由自動供水器為其自動供水,使水位線始終保持一定高度,供水器水箱最大出水量24675 cm3,可為水盆自動供水50余天。誘蟲裝置有3塊:一是裝有黑光燈的誘蟲籠,外表由廢棄的飲料瓶上半部組成,大口朝外,小口朝內,垂直于燈管,用紗網縫合;二是誘蟲籠下的水盆,撒一點洗衣粉,增加表面吸附力;三是裝置涂有機油的黃色表面。該裝置解決了傳統誘蟲裝置的一系列難題,并集其優點于一體。
1.2地點及時間
地點為克拉瑪依市農業開發區800 hm2節水農業示范區和石河子大學溫室一塊棉花田;根據當地棉鈴蟲發生高峰期,選擇2010年7月7-11日和2010年8月19-24日2個時段。
1.3處理及重復
2010年7月7-11日在克拉瑪依試驗田進行,頻振燈、黃板和多功能誘蟲燈各一個處理,相隔50m。每天早晨9B00時調查并記錄,調查完將黃板清潔干凈,再涂上機油黏蟲劑。2010年8月19-24日在石河子大學溫室棉花地進行試驗,操作同上。
1.4數據收集與處理
誘捕期間每天早晨檢查記錄各誘捕器誘到昆蟲的數量,然后清除所誘昆蟲,統計各誘捕器的誘蟲量,并以目為單位分類記錄。對比多功能誘蟲燈和黃板誘到的蚜蟲,另對多功能誘蟲燈和頻振燈誘到的昆蟲以目為單位分類比較。

2結果與分析
2.1多功能誘蟲燈和黃板日誘蚜量的比較
由表1可看出,多功能誘蟲燈誘蚜量較誘蟲黃板多,11 d誘集總數為5856頭,比誘蟲黃板的5696頭多160頭。多功能誘蟲燈平均日誘蚜量為532.4頭,比誘蟲黃板平均日誘蚜量517.8頭多14.6頭。對兩組數據進行比較(t測驗),結果表明多功能誘蟲燈與黃板在誘集蚜蟲效果上沒有顯著差異。

2.2多功能誘蟲燈與頻振燈(除蚜蟲)誘蟲效果的比較
由表2可見,多功能誘蟲燈和太陽能殺蟲燈誘蟲量較頻振燈多,11 d誘集總量為6499頭,比頻振燈的5696頭多803頭。多功能誘蟲燈平均日誘蟲量為590.8頭,比頻振燈的517.8頭多73頭。其中多功能誘蟲燈共誘集鱗翅目昆蟲1228頭,鞘翅目3939頭,雙翅目1332頭;頻振燈共誘集鱗翅目1333頭,鞘翅目3147頭,雙翅目1216頭。多功能誘蟲燈誘集的害蟲種類有:棉鈴蟲、地老虎、三葉草夜蛾、螟蛾類等鱗翅目夜間活動的害蟲,馬鈴薯金龜子等部分鞘翅目夜間趨光害蟲,水龜蟲等水生害蟲,蝗蟲、螻蛄等直翅目害蟲,以及蚜蟲、斑潛蠅等趨黃性害蟲。多功能誘蟲燈和頻振燈誘集到的昆蟲總量比較(t測驗)結果表明,多功能誘蟲燈與頻振燈的誘蟲效果沒有顯著差異。

誘蟲效果試驗
3結論與討論
本試驗中多功能誘蟲燈和黃板的誘蚜蟲效果差異不顯著,且多功能誘蟲燈和頻振燈對多種昆蟲的誘集效果相當。同時,與傳統誘蟲工具比較可以發現,多功能誘蟲燈具有自動化程度高、誘殺手段多段、省工省時等優點,適合生產實踐中廣泛推廣和應用。
該裝置還具有明顯的社會效益和經濟效益。當前我國電能供應緊張,尤其是夏季。本裝置利用太陽能,可省去架設電網的成本,其推廣應用具有很好的社會價值。而且該裝置運行成本低,比田間分別安裝黑光殺蟲燈、誘蟲黃板、性誘水盆要更方便、更經濟。另外,推廣和使用此項技術,每年可減少化學農藥施用量,減少大量的人力、物力、財力消耗,從而增加經濟效益;且減少農藥使用可提高農產品的產量及品質,增加經濟收入。
- 【中國農業儀器網】聲明部分文章轉載自其它媒體,轉載目的在于傳遞更多信息,并不代表本網贊同其觀點和對其真實性負責,且不承擔此類作品侵權行為的直接責任及連帶責任。如涉及作品內容、版權和其它問題,請在30日內與本網聯系。
- 上一篇:種質資源庫的類型及特點
- 下一篇:信息技術在測土配方施肥技術中的應..









